Будьте всегда в курсе!
Узнавайте о скидках и акциях первым
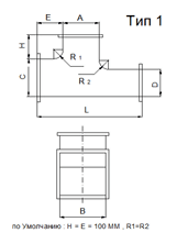
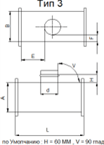
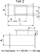
В вентиляционных и других коммуникационных системах для разводки воздуховодов по горизонтали или вертикали используют тройники прямоугольного сечения.
Это фасонные детали, используемые для соединения двух и более прямоугольных воздуховодов. Наряду с вентиляционными системами такие детали применяют в любых коммуникационных системах, в которых нужно подсоединить ответвления к основному каналу.
Материалом для сварного тройника служит черная сталь толщиной: 1,0 мм, 1,2 мм, 1,5 мм, 2,0 мм.
Повышенная толщина стали и жесткость сварного тройника делают их более долговечными и надежными. Как правило, температура транспортируемого воздуха через сварные воздуховоды от +80 до +400 °С.
Тип соединения:



Вентиляционные воздуховоды
Прямоугольные воздуховоды из оцинкованной стали
Круглые воздуховоды из оцинкованной стали
Сварные воздуховоды из черной стали
Воздуховоды из нержавеющей стали
Гибкие воздуховоды
Шумоглушители и клапаны
Шумоглушители для вентиляции
Клапаны
Профили
Хомут сантехнический с гайкой
Хомут для круглых воздуховодов
Хомут трубный высокой нагрузки с гайкой
Хомут высокой нагрузки с квадратной головкой
Хомут сплинклерный
Хомут ленточный
Зажимы для ленточных хомутов
Хомут нейлоновый
Болт U-образный
Лента перфорированная оцинкованная
Хомут трубный с саморезом
Хомут с комбинированной гайкой
Хомут для крепления труб ПВХ
Изоляция для труб
Вентиляторы для вентиляционных систем